DV16-A00-WW1-015C-033輕力度

產品型號:DV-16-A00-WW1-015C-033
額定負載:5(2)A 125/250VAC,0.1A 125/250VAC
適用溫度:-40℃~+125℃
電氣壽命:≥5萬次
機械壽命:≥100萬次
焊接溫度:手工焊 350° 2-3S
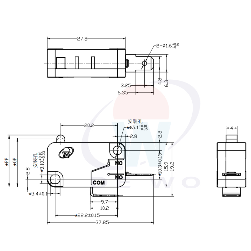
自由位置(FP):18.5±0.50mm
動作位置(OP):17.5±0.50mm
差動行程(MD):0.4mm Max
過行程(OT):0.8mm Min
動作力(OF):15±5gf
釋放力(RF):3gf Min
適用濕度:<85%RH
德沃電子Dewo electronic technology
聯(lián)系德沃
全國服務咨詢熱線:0769 - 81732018
聯(lián)系人 : 王松山
手機 :13829297477
傳真 : 0769-81732225
郵箱 : sales@dgdewo.com
地址 : 東莞市石碣鎮(zhèn)桔洲第三工業(yè)區(qū)銘華路23號





